0

장바구니

장바구니에 상품이 없습니다.

Please install Yoast, RankMath, or SEOPress to use breadcrumbs.

핀 게이지란 무엇이며, 품질 관리를 위한 직경 측정에 핀 게이지를 어떻게 사용하는가?

핀 게이지/플러그 게이지는 구멍이나 형상의 직경을 정밀하게 측정하는 데 사용되며, 때로는 소수점 셋째 자리까지 측정할 수 있습니다. 정밀하게 가공된 원통형 몸체를 가지고 있어 매우 정확한 직경 측정이 가능합니다. 각 핀 게이지의 길이는 50mm로 고정되어 있습니다. 중요한 차이점은 이 게이지는 길이 측정이 아닌 직경 측정에만 사용해야 한다는 것입니다.

EISEN EP 시리즈 핀 게이지 구멍 직경을 확인하는 데 사용됩니다.

별도의 핀 게이지를 사용하여 구멍 직경을 측정하거나 확인할 수 있으며, 핀 게이지 핸들과 함께 사용하여 합격/불합격 게이지를 만들 수도 있습니다.

구멍의 내경을 측정하는 것 외에도 다양한 응용 분야가 있습니다.

 

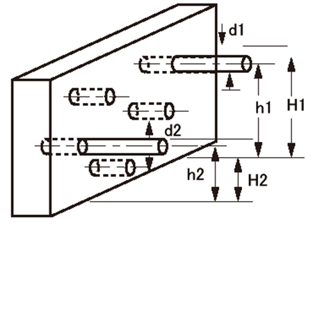
구멍의 위치를 측정하세요.

측정 핀 d1d2의 직경이 제품이 설치되는 구멍에 꼭 맞으면 구멍 위치(h1h2)가 필요합니다. 
H1H2를 측정하는 경우.

기어 톱니 홈의 정렬 불량

핀 게이지를 기어 홈에 넣고, 모든 기어 홈에 대해 핀 게이지의 홈을 따라 앞뒤로 움직입니다. 이렇게 하면 기어 홈의 정렬 불량을 측정하고 얻을 수 있습니다.

경사각을 측정합니다(1)

각도는 다음과 같은 이유로 더 필요합니다.
지름이 d인 측정 핀이 있는 사인파 모양의 막대.

 

경사각을 측정합니다(2)

원뿔의 필요한 각도는 다음과 같습니다. h를 측정하는 방법

구멍의 높이를 측정하세요.

측정 테이프 d1d2 d3를 제품의 구멍에 맞는 지름으로 삽입하고 L1L2를 측정하면,  측정 단계( ), 구멍의 단계 aa가 필요합니다. 

나사의 유효 직경을 측정합니다(3선식 시스템).

유효 직경 E는 E=M-3d+0.866025p 공식에 따라 계산됩니다.
(단, 이는 미터법 나사와 통합 나사에 모두 적용됩니다.)

대부분의 경우 실제 직경은 더 작은 '합격' 게이지와 약간 더 큰 '불합격' 게이지가 됩니다. 핀 게이지는 다양한 크기의 구멍을 검사할 수 있도록 세트로 구성되어 있기도 합니다.

배터리 잔량 표시기에는 어떤 종류가 있나요?

일반적으로 핀 게이지는 경화 합금강(HRc62-65 경도)으로 제작됩니다. 이러한 핀 게이지는 0.2mm에서 30mm까지 모든 크기로 제작 가능하며, 소수점 셋째 자리까지 정밀도를 보장합니다. 경화강 핀 게이지는 1등급 표준을 준수하므로 작업장 및 검사 용도에 적합합니다.

세미키는 강철 게이지 핀 외에도 다양한 종류의 제품 라인을 보유하고 있습니다. 세라믹 핀 게이지 세라믹 핀 게이지도 사용 가능합니다. 세라믹 핀 게이지는 내마모성 및 내식성이 매우 뛰어나고 치수 안정성이 우수하다는 장점이 있습니다. 또한 금속의 전기 전도성 때문에 강철 게이지를 사용할 수 없는 분야(식품, 의료, 항공우주 산업 등)에서도 세라믹 핀 게이지를 사용할 수 있습니다. 그러나 세라믹 핀 게이지는 소수점 둘째 자리까지만 정밀도를 확보할 수 있습니다. 대부분의 일반적인 용도에서는 합금강 핀 게이지로도 충분하며, 세라믹 핀 게이지에 추가 비용을 투자할 필요는 없습니다.

점화 플러그 게이지란 무엇인가요?

링 게이지는 원형 구멍을 측정하기 위한 고정밀, 고강도 측정 도구로, 작동 중 마모에 강하도록 설계되었습니다.

응용 분야로는 기계 가공, 특히 대규모 양산에서의 검사가 있습니다.

식물 생장 조절제에는 여러 종류가 있는데, 그중 GO NOGO H7이 인기 있는 제품입니다.

검사 게이지의 특징 플러그 게이지

- 높은 테스트 헤드 경도

품질 보장

– 높은 토크

– 긴 수명

고품질 소재

나사 플러그 게이지(소쿠한샤) ISO 표준 및 지그에 따라 나사산 구멍을 검사하십시오.

올바른 핀 게이지/플러그 게이지 사양을 선택하려면 당사에 문의하십시오.

세미키 계측 장비 주식회사

www.semiki.com
전화: +84 28 2253 3522
견적 요청: [email protected]

장비 수리, 유지 보수 및 교정

서비스 센터는 모든 정밀 도구와 기계를 수리하고 유지관리하며 업계 리더로 인정받고 있습니다.

헌신적인 서비스

서비스 센터는 모든 정밀 도구와 기계를 수리하고 유지관리하며 업계 리더로 인정받고 있습니다.

추천 상품

© 2024 Semiki inc. 모든 권리 보유.

SEMIKI에 견적을 요청하세요

아래 양식을 작성하시면 SEMIKI에서 견적을 받으실 수 있습니다.
아래의 모든 정보 필드를 작성해야 합니다.